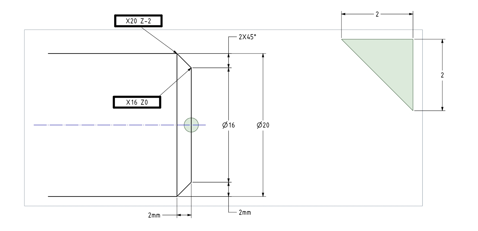
04 LOGICHE SMUSSI
Valutazione
0
0
Ancora nessun commento.
Iscriviti al corso
per essere il primo a scrivere un commento.